|
 |
| |
|
|
| |
| 螺栓型滚轮轨道 | | |
|
|
结构图纸 |
指定 |
外径范围
|
|
笼子里
|

《点击这里》 |
KR KR....PP with airproof |
Φ12-Φ110 |
|
偏心套,笼子里
|

《点击这里》 |
KRE KRE...PP with airproof |
Φ12-Φ110 |
|
慢型 |
|
NUKR KRV KRV...PP with airproof |
Φ35-Φ90 Φ12-Φ110 |
|
|
|
Inch Series
CF
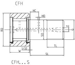
CFH
CCF
CCFH
CF…S with airproof
CFH…S with airproof
CCF…S with airproof
CCFH…S with airproof |
Φ1/2- Φ4 |
|
用套英语偏心螺栓滚针轴承
|

|
Inch Series
CFE
CCFE
CFE…S with airproof
CCFE…S with airproof |
Φ1/2- Φ4 | | | | | [返回] [打印] | |
|
|
 |
|
| |
|