|
|
Structural drawings |
Designation |
Outer Diameter Range |
|
A cage |

ˇ¶Click Hereˇ· |
KR KR....PP with airproof |
¦µ12-¦µ110 |
|
Eccentric sets with a cage |

ˇ¶Click Hereˇ· |
KRE KRE...PP with airproof |
¦µ12-¦µ110 |
|
Man-type |
|
NUKR KRV KRV...PP with airproof |
¦µ35-¦µ90 ¦µ12-¦µ110 |
|
|
|
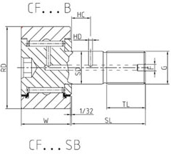
Inch Series
CF
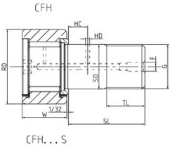
CFH
CCF
CCFH
CFˇS with airproof
CFHˇS with airproof
CCFˇS with airproof
CCFHˇS with airproof |
¦µ1/2- ¦µ4 |
|
With sets of English eccentric bolts needle roller bearings |

|
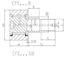
Inch Series
CFE
CCFE
CFEˇS with airproof
CCFEˇS with airproof |
¦µ1/2- ¦µ4 |