|
|
Structural drawings |
Designation |
Shaft Diameter |
|
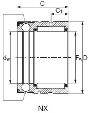
No inner ring needle - full thrust with ball bearings |
|
NX NX...Z Cover holes without lubrication |
¦µ7-¦µ35 |
|
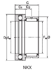
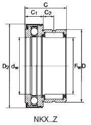
No inner ring needle - full thrust with ball bearings |
|
NKX NKX...Z´ř¶Ë¸Ç |
¦µ10-¦µ70 |
|
No inner ring needle - thrust cylindrical roller bearings |
|
NKXR NKXR...Z Cover with |
¦µ15-¦µ50 |
|
A needle inner ring - angular contact ball bearings |

ˇ¶Click Hereˇ· |
NKIA |
¦µ12-¦µ70 |
|
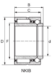
With two separate inner ring needle - angular contact ball bearings |

ˇ¶Click Hereˇ· |
NKIB |
¦µ12-¦µ70 |