Drawn cup needle rollerˇ­
Radial needle roller anˇ­
Needle roller bearings
Aligning needle roller ˇ­
Inner ˇ˘needle rollerˇ˘ˇ­
Combined needle roller ˇ­
Cylindrical roller bearˇ­
Thrust needle roller orˇ­
Cam Follower Bearing
Needle roller axial cylˇ­
Spherical plain bearingˇ­
ˇ¤Radial spherical plˇ­
ˇ¤Maintenance-free spˇ­
Automobile bearings
Others
     
 
Radial spherical plain bearings with single-fractured

 

Structural drawings

Designation

Shaft Diameter

No fuel tank hole

ˇ¶Click Hereˇ·

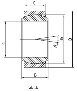
Metric GE...E

¦µ5-¦µ62

Inch Series

With tank hole

ˇ¶Click Hereˇ·

 

Metric GE...ES

¦µ15-¦µ140

Inch Series

Seal hole with no bunkers

ˇ¶Click Hereˇ·

 

Metric GE...E2R3

Inch Series

Seal hole with a fuel tank

 

ˇ¶Click Hereˇ·

Metric GE...ES2RS

¦µ15-¦µ140

Inch Series

Wide Inner Ring

ˇ¶Click Hereˇ·

Metric GEEW...ES
GEEW...E

¦µ15-¦µ140
¦µ5-¦µ12

With wide inner ring seal

ˇ¶Click Hereˇ·

Metric GEEW...E2RS
GEEW...E2RS

¦µ5-¦µ12
¦µ15-¦µ140

 
[·µ»Ř] [´ňÓˇ]
 
 
 
 
ZiNA Autoparts Co,Ltd.    ADD:Rongnan Industrial Zone,Yuqi Town, Wuxi City,Jiangsu
Cell phone:+86 18661059888
Email :zina@zina-autoparts.com    Http://www.zina-autoparts.com

P.C: 214183   Technical support :juntong.net   ChinaICP:09053704